CMOS logic IC မိသားစုမိသားစု၏ထင်ရှားသောအဖွဲ့ဝင်
74HC00
74HC00
RENESAS
74HC00 ST SOP
In Stock: 6124 pcs
သည် Nand Gates လေးခုကိုအထုပ်တစ်ခုသို့ပေါင်းစပ်ပြီး LS-TTL လုပ်ငန်းသုံးအမြန်နှုန်းနှင့်ကိုက်ညီသောလျှပ်စစ်ဓာတ်အားသုံးစွဲမှုနှင့်ကိုက်ညီရန် silicon-gate နည်းပညာကိုပါ 0 င်သည်။ဤပမာဏနှင့်စွမ်းဆောင်ရည်နိမ့်ကျခြင်းသည်လျှပ်စစ်ထုတ်လွှတ်မှုအတွက်ဖြတ်တောက်ခြင်းအတွက် cls-ttl 0 န်ဆောင်မှုများနှင့်အတွင်းပိုင်း diode ကိုတက်နိုင်စွမ်းအားဖြင့် 74HC00 ကိုဒစ်ဂျစ်တယ်တိုက်နယ်ဒီဇိုင်းတွင်စွယ်စုံနှင့်ယုံကြည်စိတ်ချရသောအစိတ်အပိုင်းတစ်ခုအဖြစ်ရာထူးပေးသည်။ဆူညံသံကိုယ်ခံစွမ်းအားကင်းသောဆူညံသံကိုယ်ခံစွမ်းအားနှင့်စက်မှုလုပ်ငန်းအဆင့်အတန်းရှိသောအလားတူပေါင်းစပ်မှုများစွာဖြင့်၎င်း၏သဟဇာတဖြစ်သောရလဒ်များကိုသင်တန်ဖိုးထားနိုင်သည်။
စာရင်း
အပေြာင်း 74hc00Nand Gates လေးခုကိုထည့်သွင်းခြင်းအား LS-TTL မိသားစုနှင့်ကိုက်ညီရန်သတိပြုမိသည်။
Silicon-Gate CMOS နည်းပညာကိုအသုံးပြုခြင်းသည်စွမ်းအင်သုံးစွဲမှုနိမ့်ကျခြင်းကိုအာရုံစိုက်နေစဉ် LS-TTL နှင့်ဆင်တူသည့်လုပ်ငန်းလည်ပတ်မှုနှုန်းကိုရရှိစေသည်။ဤချိန်ခွင်လျှာသည်သင့်အားတီထွင်ဖန်တီးမှုနှင့်အတူ resonate လုပ်ခြင်းနှင့်ထိရောက်မှုကိုတိုးမြှင့်ခြင်း,Buffered Gate Outputs သည်ဆူညံသံကိုယ်ခံစွမ်းအားကိုမြှင့်တင်ပေးသည်။ စိန်ခေါ်မှုဆိုင်ရာပတ် 0 န်းကျင်တွင်ပင်တည်ငြိမ်သောစွမ်းဆောင်ရည်ကိုအထောက်အကူပြုသည်။
LS-TTL ဝန် 10 လုံးအထိစီးဆင်းနိုင်စွမ်းသည်၎င်းကို signal output များလိုချင်သောစနစ်များအတွက်သင့်လျော်စေသည်။
ပြည်တွင်း diode ကိုညှပ်တပ်ဆင်ထားသည့် clamp များတပ်ဆင်ထားသည်မှာလျှပ်စစ်ထုတ်လွှတ်မှုနှင့်ဆက်စပ်သောအန္တရာယ်များကိုလျော့နည်းစေသည်။ဤအင်္ဂါရပ်သည်အစိတ်အပိုင်းအသက်ရှည်မှုကိုတိုးချဲ့ရန်အတွက်၎င်း၏အခန်းကဏ် en ကိုအလေးပေးပြောကြားပြီးရေရှည်ယုံကြည်စိတ်ချရမှုကိုရှာဖွေရန်ဉာဏ်ပညာကိုသိမ်မွေ့စွာရောင်ပြန်ဟပ်သည်။
အစားထိုးခြင်းနှင့်ညီမျှခြင်း:
•
CD4011
CD4011
I-CORE
701
In Stock: 25220 pcs
• mc54hc00jd
• M74HC00M1
• sn54ls00
• sn74HCT00dte4
• 74HT132d
• 74HT00

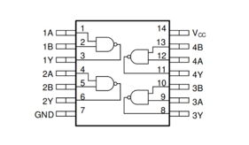
• Pin 1, 2, 4, 5, 9, 9, 10, 13, 13 - ဒေတာသွင်းအားစုများ
ဤ pins များသည် chip အတွင်းရှိ Nand Gates ၏ယုတ္တိဗေဒစစ်ဆင်ရေးကိုလမ်းညွှန်ပေးသည့် input signals များကိုလက်ခံရရှိရန်တီထွင်ထားသည်။ဤသွင်းအားစုများကို 0 င်ရောက်စွက်ဖက်ခြင်းမှလွတ်မြောက်ခြင်းသည် 0 င်ရောက်စွက်ဖက်ခြင်းမှလွတ်မြောက်ခြင်း, ထိန်းချုပ်မှုနှင့်ကြိုတင်ခန့်မှန်းမှုကိုထင်ဟပ်သည်။
• Pin 3, 6, 8, 11 - ဒေတာရလဒ်များ
ရလဒ်များအနေဖြင့်လုပ်ဆောင်မှုများအနေဖြင့်ဤ pins သည် Nand ဂိတ်ကွန်ပျူတာများ၏ရလဒ်များကိုဖော်ပြထားသည်။၎င်းတို့သည်ရှုပ်ထွေးသောဒစ်ဂျစ်တယ်ယုတ္တိဗေဒဆောက်လုပ်ရေးလုပ်ငန်းများ၌အလုပ်လုပ်ကိုင်နိုင်ပြီးရှုပ်ထွေးသောယုတ္တိဗေဒပုံစံများကိုအတူတကွလုပ်ခြင်း။အဝိုင်းများရှိသည့်အရာများစွာသည် output တစ်ခုနှင့်ချိတ်ဆက်ထားသည့်အခါ,
• PIN နံပါတ် 7 - မြေပြင် (GND)
ဤ PIN သည် voltages အတွက်တည်ငြိမ်သောရည်ညွှန်းချက်ကိုရည်ညွှန်းသည့်နေရာကိုစနစ်တကျဖွဲ့စည်းရန်စနစ်မြေပြင်သို့ဆက်သွယ်သည်။ထိုကဲ့သို့သောတည်ငြိမ်သောဆက်သွယ်မှုကိုထူထောင်ခြင်းသည်သဘာဝနှင့်ရှင်းလင်းပြတ်သားမှုနှင့်ကိုက်ညီမှုနှင့်အတူညှိနှိုင်းခြင်း,
• PIN 14: PORT 14: PORT POWER SANDER (VCC)
ဤ PIN မှတဆင့်မှန်ကန်သောဗို့အားကိုကျွေးမွေးခြင်းကကိရိယာ၏စွမ်းဆောင်ရည်ကိုထောက်ပံ့သည်။သတ်မှတ်ထားသောအကွာအဝေးအတွင်းတွင်ထိန်းသိမ်းထားစဉ်အသက်ရှည်မှုနှင့်စွမ်းဆောင်ရည်ကိုတိုးမြှင့်ပေးပြီးပါဝါ PIN များအနီးတွင် capacitors များကိုနေရာချခြင်းအားဖြင့်ဘဝ၏ရှုပ်ထွေးမှုများကိုစီမံခန့်ခွဲရန် Mirressing မဟာဗျူဟာများကိုသိသိသာသာတည်ငြိမ်စေနိုင်သည်။
74HC00
74HC00
RENESAS
74HC00 ST SOP
In Stock: 6124 pcs
သည်လွတ်လပ်သော Nand Gates လေးခုနှင့်ဒီဇိုင်းပြုလုပ်ထားသောစွမ်းအားစွမ်းဆောင်ရည်ကိုအာရုံစိုက်ရန်,၎င်း၏အထင်ကြီးဖွယ်ရှိဆူညံသံကိုယ်ကျင့်တရားသည်တည်ငြိမ်သော application များကိုအထောက်အကူပြုသည့်တည်ငြိမ်သော application များကိုအထောက်အကူပြုသည်။Dip နှင့် Soic Formats များတွင်ရရှိနိုင်သောပုံစံများကိုမတူကွဲပြားသောဒီဇိုင်းလိုအပ်ချက်များနှင့်ကိုက်ညီပြီးပြောင်းလွယ်ပြင်လွယ် PCB layout options များကိုပေးထားသည်။
74HC00 ၏လိုက်လျောညီထွေဖြစ်မှုသည်၎င်းကိုဆင်တူသောယုတ္တိဗေဒအမှတ်အသားနှင့်ရှုပ်ထွေးသောစနစ်များနှင့်အံဝင်ခွင်ကျဖြစ်စေရန်ခွင့်ပြုသည်။Community Digital functions များကိုပြုလုပ်ရန်အတွက်၎င်း၏ကြံ့ခိုင်သော input / output ကားမောင်းနိုင်စွမ်းကိုသင်တန်ဖိုးထားနိုင်သည်။
ကွဲပြားသောအခြေအနေများအရလည်ပတ်နိုင်စွမ်းသည် 74HC00 ကိုပညာရေးနှင့်ရှေ့ပြေးပုံစံဖွံ့ဖြိုးတိုးတက်မှုတွင်လူကြိုက်များသည်။တိုးပွားလာသောတိုက်နယ်ရှုပ်ထွေးမှုနှင့်လိုက်လျောညီထွေဖြစ်အောင်လွယ်ကူစေရန်လွယ်ကူခြင်းကသင့်အားစွမ်းဆောင်ရည်ကိုစွန့်လွှတ်ခြင်းမရှိဘဲဆန်းသစ်တီထွင်မှုအသစ်များကိုစူးစမ်းလေ့လာရန်လှုံ့ဆော်ပေးသည်။
ထုတ်လုပ်သူခြုံငုံသုံးသပ်ချက်
တက်ကဆက်ပြည်နယ်တူရိယာများသည်ယုံကြည်စိတ်ချရသောနှင့်အခြေခံကျသော semiconductor ထုတ်ကုန်များကိုဖန်တီးရန်သူ၏အပ်နှံမှုအတွက်ဂုဏ်သိက္ခာကိုရရှိခဲ့သည်။Texas Instruments ၏အစိတ်အပိုင်းများကိုသူတို့မယိမ်းယိုင်ခြင်းနှင့်သာလွန်ကောင်းမွန်သည့်စွမ်းဆောင်ရည်အပေါ်အာရုံစူးစိုက်မှုဖြင့်အာရုံစူးစိုက်မှုနှင့်အတူ Texas Instruments ၏အစိတ်အပိုင်းများသည်အသုံးချပရိုဂရမ်မြောက်မြားစွာတွင်သူတို့ကိုယ်တိုင်ရှာဖွေကြသည်။
ရုပ်ပိုင်းဆိုင်ရာရှုထောင့်
8.65mm x 3.91mm x 1.58 မီလီမီတာကိုတိုင်းတာသည်မှာ
74HC00
74HC00
RENESAS
74HC00 ST SOP
In Stock: 6124 pcs
သည်ကျစ်လစ်သိပ်သည်းသောပတ်ဝန်းကျင်အတွက်ချောချောမွေ့မွေ့သောဒီဇိုင်းရှိသည်။ဤရှုထောင့်များသည်မတူညီသောဆားကစ်ဘုတ်ကဲ့သို့ကွဲပြားသော circuit board layouts များသို့ပေါင်းစည်းခြင်း, ပစ္စည်း၏ထူးခြားသောစွမ်းရည်ကိုအလျှော့ပေးလိုက်လျောခြင်းမရှိဘဲအကန့်အသတ်ဖြင့်သာအကန့်အသတ်ဖြင့်သာပြုလုပ်နိုင်သည်။
လျှပ်စစ်ဝိသေသလက္ခဏာများ
2V သို့ Supply Voltage SPANS သည် 2V သို့အလိုက်သင့်စွာလိုက်လျောညီထွေဖြစ်အောင်လုပ်ခြင်းနှင့်ဒစ်ဂျစ်တယ် circits ၏ကျယ်ပြန့်သောရောင်စဉ်နှင့်လိုက်လျောညီထွေဖြစ်အောင်ပြုလုပ်နိုင်သည်။ဤဗို့အားအကွာအဝေးသည်စွယ်စုံတူးသော application များကိုအထောက်အကူပြုသည်။ 74HC00 သည် 74HC00 ကိုပြောင်းလဲနေသောပတ်ဝန်းကျင်ရှိတောင်းဆိုမှုများကိုပြောင်းလဲခြင်းနှင့်ပြောင်းလဲခြင်းနှင့်ကိုက်ညီမှုရှိစေသည်။
အပူချိန်နှင့်သဘာဝပတ်ဝန်းကျင်အခြေအနေများ
-40 ဒီဂရီစင်တီဂရိတ်နှင့် 85 ဒီဂရီစင်တီဂရိတ်အကြားထိရောက်စွာလည်ပတ်နိုင်သည့်ကိရိယာသည်မတူကွဲပြားသောရာသီဥတုနှင့်စက်မှုအခြေအနေများတွင်ရှင်သန်ရန်ဒီဇိုင်းပြုလုပ်ထားသည်။အပူချိန်အစွန်းရောက်မှုကိုခုခံနိုင်စွမ်းသည်စားသုံးသူအီလက်ထရောနစ်နှင့်စက်မှုလုပ်ငန်းဆိုင်ရာအသုံးချပရိုဂရမ်များအတွက်ရွေးချယ်မှုတစ်ခုဖြစ်ပြီးသဘာဝပတ်ဝန်းကျင်အမျိုးမျိုးကိုပေးသည့်နေရာဖြစ်သည်။
စွမ်းဆောင်ရည်မက်ထရစ်
nanoseconds 23 ခု၏ဝါဒဖြန့်မှုနှောင့်နှေးမှုများကိုကမ်းလှမ်းခြင်းအားဖြင့် 74HC00 သည်မြန်နှုန်းမြင့်ယုတ္တိဗေဒဆိုင်ရာလုပ်ဆောင်ချက်များအတွက်စွမ်းဆောင်ရည်မြင့်မားသောစွမ်းဆောင်ရည်ကိုပြုလုပ်ရန်လိုအပ်သည်။ဤဆွစ်ဖ်စွမ်းဆောင်ရည်သည်ဒစ်ဂျစ်တယ်အချက်ပြထိန်းချုပ်ရေးနှင့်ဆက်သွယ်ရေးစနစ်များကဲ့သို့သော application များအတွက်အကျိုးရှိသည်, လျင်မြန်စွာဒေတာဖလှယ်မှုသည်လိုအပ်ချက်တစ်ခုဖြစ်သည်။
ဖွဲ့စည်းတည်ဆောက်ပုံဆိုင်ရာဖွဲ့စည်းမှု
ဒီကိရိယာမှာဂိတ်တံခါး 4 ခုပါ 0 င်ပြီး Nand ယုတ္တိဗေဒလုပ်ငန်းတွေမှာရှုပ်ထွေးတဲ့ယုတ္တိဗေဒဒီဇိုင်းများအတွက်သိသိသာသာလုပ်ဆောင်နိုင်စွမ်းကိုထောက်ပံ့ပေးတယ်။ဤပြင်ဆင်မှုသည်ယုတ္တိစစ်ဆင်ရေးများထိရောက်စွာကွပ်မျက်ခံရရန်လိုအပ်သည့်အတွက်စနစ်တကျကွပ်မျက်ခံရရန်လိုအပ်သည့်နေရာတွင်ရှိသည်။
အမျိုးခဲှခြားခြင်း
ယုတ္တိဗေဒဂိတ်တစ်ခုအနေဖြင့် 74HC00 သည်ဒစ်ဂျစ်တယ်တိုက်နယ်ဖန်တီးမှုတွင်အဓိကအစိတ်အပိုင်းတစ်ခုအဖြစ်ဆောင်ရွက်သည်။ဒီ element တွေကိုရှုပ်ထွေးတဲ့ဒီဂျစ်တယ်စနစ်တွေတည်ဆောက်ဖို့သင်အသုံးပြုနိုင်တယ်။
74HC00
74HC00
RENESAS
74HC00 ST SOP
In Stock: 6124 pcs
သည်သီးခြား nand gates လေးခုကိုပေါင်းစပ်ထားပြီးတစ်ခုချင်းစီကို output တစ်ခုသို့ ဦး တည်သည့်သွင်းအားစုနှစ်ထပ်ပါရှိသည်။စစ်ဆင်ရေးသည်အသေးစိတ်အမှန်တရားစားပွဲပေါ်မှာမူတည်သည်။အထူးသဖြင့်သွင်းအားစုနှစ်ခုလုံးမြင့်မားမှသာ output ကိုနိမ့်ကျသွားသည်။ဒီလိုမှမဟုတ်ရင် output ဟာဒစ်ဂျစ်တယ်ယုတ္တိဗေဒဒီဇိုင်းမှာဒီဂျစ်တယ်ယုတ္တိဗေဒဒီဇိုင်းမှာအဓိကအချက်တစ်ခုဖြစ်နေပြီးပိုပြီးရှုပ်ထွေးသောဆားကစ်ကိုဖန်တီးရာတွင်အဓိကအစိတ်အပိုင်းအဖြစ်ဆောင်ရွက်သည်။
အပြုသဘောဆောင်သောတုံ့ပြန်ချက်များသည်ဤတံခါးများရှိတည်ငြိမ်မှုကိုသိမ်မွေ့စွာလွှမ်းမိုးသည်။တံခါးတစ်ခုစီသည်၎င်း၏သွင်းအားစုများဖြစ်စဉ်အတိုင်းတုံ့ပြန်ချက်သည်တည်ငြိမ်သော output ကိုအားဖြည့်ပေးရန်,ဒီ equilibrium ကို input တန်ဖိုးများနှင့်အတူတံခါးဝ၏တုံ့ပြန်မှုကိုသဟဇာတဖြစ်စေခြင်းဖြင့်ရောက်ရှိသည်။ယုံကြည်စိတ်ချရသောရူပါရုံအခြေအနေများအားတောင်းဆိုသောဆားကစ်များကိုတည်ဆောက်ရန်ဤရှုထောင့်သို့သင်အသာပုတ်နိုင်သည်။
NAND Gates အတွင်း input-output dynamics ၏ပရိယာယ်များကိုဆုပ်ကိုင်ခြင်း NAND Gates အတွင်းတူးဖော်သည့်တိုက်နယ်ဒီဇိုင်းများအတွက်အလားအလာများကိုပိုမိုကောင်းမွန်စေသည်။အသုံးများသော applications များတွင်လှန်လှောင်ထားသော flops များကိုတည်ဆောက်ခြင်းနှင့်တူသောယုတ္တိဗေဒဆိုင်ရာတာဝန်များကိုလုပ်ဆောင်ခြင်းနှင့်မဆင်မခြင်လုပ်ဆောင်ခြင်းတို့ပါဝင်သည်။ဤဘက်စုံသုံးမှုသည်၎င်းတို့၏မွေးစားခြင်းအားဖြင့်၎င်းတို့၏မွေးစားခြင်း,
74HC00 ၏ကျယ်ပြန့်သောအသုံး 0 င်မှုကိုပြန်လည်စဉ်းစားခြင်းဖြင့်၎င်း၏ယုံကြည်စိတ်ချရသောစွမ်းဆောင်ရည်သည် Fields တွင်သုံးစွဲသူများအားစားသုံးသူအီလက်ထရောနစ်ကိုစက်မှုအလိုအလျောက်ရောင်းချခြင်းကိုရှာဖွေတွေ့ရှိသည်။ကွဲပြားခြားနားသောယုတ္တိရှိသောမူဘောင်များ၌ဤတံခါးများကိုစီစဉ်ရန်စွမ်းအားသည်တီထွင်ဖန်တီးမှုဆိုင်ရာလွတ်လပ်မှုကိုထောက်ပံ့ပေးပြီးတီထွင်ဆန်းသစ်တီထွင်မှုကိုအားပေးစေသည်။Nand Gates ၏အဓိကစည်းမျဉ်းစည်းကမ်းများသည်ထူးခြားသောနည်းပညာဆိုင်ရာအတားအဆီးများအတွက်အံဝင်ခွင်ကျဖြစ်စေသောဖြေရှင်းနည်းများကိုလှုံ့ဆော်ပေးသည်။
74HC00
74HC00
RENESAS
74HC00 ST SOP
In Stock: 6124 pcs
သည် quadruple two input nand တံခါးပေါက်တစ်ခုဖြစ်ပြီး quadisite တိကျမှုဖြင့်ဒီဇိုင်းပြုလုပ်ထားသည်။၎င်းသည်လက်တွေ့ကျမှုနှင့်နည်းပညာခေတ်မီဆန်းပြားမှုများကိုသဟဇာတဖြစ်စေသည့်ရောစပ်မှုရှိသည်။
အင်္ဂါရပ်များ
•ကျယ်ပြန့်သောဗို့အားအကွာအဝေးတွင်လုပ်ကိုင်သည်
•အမြန်ဝါဒဖြန့်မှုနှောင့်နှေးမှုကိုပြသသည်
•မြန်နှုန်းမြင့်ခြင်းနှင့်စွမ်းအင်နည်းပါးသောလုပ်ငန်းလည်ပတ်မှုအတွက်သင့်တော်သည်
လျှပ်စစ်ဝိသေသလက္ခဏာများ
•ဗို့အားနှင့်လက်ရှိ - ဤအစိတ်အပိုင်းသည်ဗို့အားနှင့်ဗို့အားဖြင့်ဒီဇိုင်းလိုအပ်ချက်များကိုမတူကွဲပြားစွာထားရှိရန်,
•အပူချိန်အကွာအဝေး - အမျိုးမျိုးသောအပူချိန်ချိန်ညှိချက်များတွင်ယုံကြည်စိတ်ချရသောလုပ်ဆောင်မှုများကိုမတူညီသောပတ် 0 န်းကျင်အခြေအနေများနှင့်အလိုက်သင့်ပတ် 0 န်းကျင်အခြေအနေများအားခွင့်ပြုသည်။
လျှောက်လွှာများ
•အထွေထွေအသုံးပြုမှု - စွယ်စုံသောအစိတ်အပိုင်းတစ်ခုဖြစ်သော Myriad Digital Circuits တွင်နေရာတစ်ခုကိုရှာဖွေသည်။
•တိကျသောအကောင်အထည်ဖော်မှု - စားသုံးသူအီလက်ထရောနစ်ပစ္စည်းများမှစက်မှုယန္တရားများသို့ 74HC00 သည်အပလီကေးရှင်းတစ်ခုစီတွင်၎င်း၏အသုံး 0 င်မှုကိုဖော်ဆောင်သည်။
74HC00
74HC00
RENESAS
74HC00 ST SOP
In Stock: 6124 pcs
Chip သည်ထူးခြားစွာလိုက်လျောညီထွေဖြစ်အောင်လုပ်လွယ်ခြင်း,
ကြားခံနှင့်ကားမောင်း
74HC00 သည်ကြားခံသို့မဟုတ်ယာဉ်မောင်းတစ် ဦး အနေဖြင့် circuit များအနေဖြင့်ချောမွေ့စွာဆက်သွယ်မှုကိုမြှင့်တင်ပေးသည်။ဗို့အားကျဆင်းခြင်းနှင့် signal ကိုပျက်စီးခြင်းကိုလျှော့ချခြင်းအားဖြင့်၎င်းသည်အစိတ်အပိုင်းများအကြားတသမတ်တည်းဆက်သွယ်မှုကိုတည်ဆောက်သည်။လက်ကိုင်အီလက်ထရွန်နစ်တွင် 74HC00 ကိုကြားခံတစ်ခုအနေဖြင့်အလုပ်ခန့်ထားသည့် Microcontroller ၏ LEDs သို့မဟုတ် relay projects မျိုးစုံကိုသက်ဝင်စေနိုင်သည့်အဏုဓါတ်ပြုစုခြင်း၏စွမ်းရည်ကိုအားဖြည့်ပေးနိုင်သည်။
ယုတ္တိဗေဒစစ်ဆင်ရေး
ဒီချစ်ပ်ဟာရှုပ်ထွေးတဲ့စနစ်တွေကိုဖွဲ့စည်းထားတာကို Nand Gates စတဲ့ယုတ္တိဗေဒလုပ်ငန်းတွေလုပ်တယ်။အမျိုးမျိုးသောယုတ္တိဗေဒဆားကစ်များသို့၎င်း၏အားထုတ်မှုပေါင်းစည်းမှုသည်၎င်း၏အသုံးဝင်မှုကိုအလေးပေးဖော်ပြသည်။ဒစ်ဂျစ်တယ်ဒီဇိုင်းတွင် Nand Gates ကိုမြှင့်တင်ခြင်းသည်သင့်အားပိုမိုကောင်းမွန်သောအစိတ်အပိုင်းများနည်းပါးသောခေတ်မီယုတ္တိရှိသောဆားကစ်များကိုပိုမိုနည်းသောအစိတ်အပိုင်းများနှင့်ပိုမိုနည်းသောအစိတ်အပိုင်းများကိုတည်ဆောက်ရန်,
embedded စနစ်များပေါင်းစည်းမှု
Embedded Systems များတွင် 74HC00 သည် microcontroller အစပျိုးမှုတွင်ယုတ္တိရေးသမားများ၏လုပ်ဆောင်မှုများကိုထည့်သွင်းခြင်းဖြင့် 74HC00 streamlines task execute လုပ်ခြင်းဖြင့်ပြုလုပ်သည်။
iot Devices မြောက်မြားစွာသော iot Devices သည်ဤချစ်ပ်ကို အသုံးပြု. ခြွင်းချက်စစ်ဆေးမှုများကိုအကောင်အထည်ဖော်ရန်နှင့်အရံပစ္စည်းကိရိယာများကိုစီမံခန့်ခွဲခြင်း,
အဆင့်ပြောင်းလဲခြင်း
74HC00 သည်အဆင့်ပြောင်းလဲခြင်းနှင့်ကွဲပြားခြားနားသောတိုက်နယ်အကြားအချက်ပြမှုအဆင့်များကိုညှိခြင်းတွင်ထိရောက်သောအခန်းကဏ် pervices ဖြစ်သည်။၎င်းသည်မတူညီသောဗို့အားအဆင့်သတ်မှတ်ချက်များနှင့်အတူအစိတ်အပိုင်းများကိုချောမွေ့ဝင်ရောက်စွက်ဖက်မှုလွယ်ကူချောမွေ့စေပါသည်။ရောနှော-ဗို့အားအခြေအနေများတွင် 5v microcontrollerter ကို 3.3V အာရုံခံကိရိယာသို့ချိတ်ဆက်ခြင်းကဲ့သို့သော 74HC00 သည် divide divide bridges ကိုချောမွေ့စွာတားမြစ်ထားသည်။
အချိန်ကိုက်နှင့်ထိန်းချုပ်မှု circuits
အဆိုပါချစ်ပ်သည်အချိန်နှင့်ထိန်းချုပ်မှုဆားကစ်များတွင်ပါ 0 င်ပြီး Sequential Logic Tasks ၏ညှိနှိုင်းမှုဆိုင်ရာညှိနှိုင်းဆောင်ရွက်မှုကိုကူညီခြင်း,အချိန်ကြာမြင့်စွာ circuits ကို 74HC00 ဖြင့်ပြန်လည်သန့်ရှင်းရေးဆက်သွယ်ရေးစနစ်များကဲ့သို့သောအလုပ်များကိုပိုမိုတိကျခိုင်မာစေရန်,
Binary နှိုင်းယှဉ်အတွက်ဒီဂျစ်တယ်နှိုင်းယှဉ်
74HC00 သည်ဒစ်ဂျစ်တယ်နှိုင်းယှဉ်မှုများအတွက်ဒစ်ဂျစ်တယ်နှိုင်းယှဉ်မှုအနေဖြင့်ဒီဂျစ်တယ်နှိုင်းယှဉ်မှုအနေဖြင့်လုပ်ဆောင်ချက်များကိုဒစ်ဂျစ်တယ်မူဘောင်အတွင်းဆုံးဖြတ်ချက်ချရန်ဖြစ်သည်။၎င်းသည် Equality သို့မဟုတ် Binary of of of Binary of of Equality ကိုပိုင်းခြားသိမြင်စေသည်။Binary နှိုင်းယှဉ်မှုအတွက် 74HC00 အတွက်အလုပ်ခန့်ထားသည့်ဒစ်ဂျစ်တယ်လုပ်ထုံးလုပ်နည်းများတွင်ဌာနခွဲဆုံးဖြတ်ချက်များကိုအကောင်အထည်ဖော်ရန်ထိရောက်သောလမ်းကြောင်းကိုထောက်ပံ့ပေးသည်။
74HC00 datasheet:
74HC00 အသေးစိတ် PDF74HC00 fr.pdf အတွက် PDF အသေးစိတ်74HC00 KR.PDF အတွက် PDF အသေးစိတ်74HC00 IT.PDF အတွက် PDF အသေးစိတ်74HC00 ES.PDF အတွက် PDF ကိုအသေးစိတ်ဖော်ပြပါ
1 ။ 74HC00 ၏လုပ်ဆောင်နိုင်မှုကဘာလဲ။
74HC00
74HC00
RENESAS
74HC00 ST SOP
In Stock: 6124 pcs
သည်လွတ်လပ်သော 2- သွင်းချောင်း Nand Gates လေးခုကိုပါ 0 င်ပြီး 2.0V မှ 6.0V သို့လည်ပတ်သည်။ဒစ်ဂျစ်တယ်ယုတ္တိဗေဒစနစ်များကို 0 န်ဆောင်မှုပေးခြင်းကအနုစိတ်ဒစ်ဂျစ်တယ်ဗိသုကာများ၏ကျောရိုးဖြစ်သောယုတ္တိစစ်ဆင်ရေးများဖြစ်ပေါ်စေသည်။
2 ။ 74ls00 သည် Nand Gates မည်မျှရှိသနည်း။
74L00 တွင် Nand Gates လေးခုပါ 0 င်သည်။ဒီ configuration ဟာဒီဂျစ်တယ်အီလက်ထရောနစ်ပစ္စည်းတွေမှာယူနစ်တွေတီထွင်တဲ့အခါဒီ configuration ဟာဘုံရွေးချယ်မှုပဲ။
3 ။ 74ls00 မှ 74HC00 ကိုအဘယ်အရာကကွဲပြားခြားနားသနည်း။
အဓိကခြားနားချက်မှာသူတို့၏ဗို့အားဖြင့်လိုက်လျောညီထွေဖြစ်မှုဖြစ်သည်။74HC00 သည် 2V သို့ 6V အကွာအဝေးတွင်အလုပ်လုပ်သည်။ 74Ls00 သည် 5V ပါဝါထောက်ပံ့ရေးအတွက်ကန့်သတ်ထားသည်။ရွေးချယ်ခြင်းသည်လျှောက်လွှာလိုအပ်ချက်နှင့်ပတ် 0 န်းကျင်ဆိုင်ရာအချက်များအပေါ်မူတည်သည်။
4 ။ 74HC စီးရီးကိုသင်ဖော်ပြနိုင်ပါသလား။
74HC စီးရီးတွင်မြန်နှုန်းမြင့် CMOS ပေါင်းစည်းထားသောဆားကစ်များကိုပါ 0 င်ပြီးစွမ်းအင်သုံးစွဲမှုလျှော့ချခြင်းဖြင့် TTL နှင့်သဟဇာတဖြစ်သောအမြန်နှုန်းကိုကမ်းလှမ်းသည်။74LS စီးရီး၏ layouts နှင့်လိုက်လျောညီထွေဖြစ်အောင်လုပ်ခြင်းသည်လက်ရှိဆားကစ်များတွင်လွယ်ကူစွာပေါင်းစည်းမှုနှင့်အစားထိုးရန်ခွင့်ပြုသည်။
5 ။ 74HC00 ၏ applications များကဘာတွေလဲ။
ဒစ်ဂျစ်တယ်ဆားကစ်များတွင် 74HC00 သည် signal ပြောင်းပြန်ပြောင်းခြင်းနှင့်ရှုပ်ထွေးသောယုတ္တိဗေဒလုပ်ရပ်များအတွက် Nand Logic Gates လိုအပ်သည်။၎င်း၏အလိုက်အလိုက်အလိုက်အလိုက်အံဝင်နိုင်စွမ်းက၎င်းကိုပညာရေးဆိုင်ရာအခင်းအကျင်းများနှင့်ပရော်ဖက်ရှင်နယ်အီလက်ထရောနစ်လုပ်ငန်းများတွင်အဖိုးတန်သောပိုင်ဆိုင်မှုတစ်ခုဖြစ်စေသည်။
ဒီ post ကိုမျှဝေပါ